Os circuitos lógicos podem ser categorizados em combinacionais e sequenciais, e são fundamentais na eletrônica digital, cada um com características e funções distintas.
Os circuitos lógicos combinacionais são aqueles cuja saída depende unicamente dos valores atuais de suas entradas. Eles não têm memória ou estado interno; portanto, a saída é determinada instantaneamente pela combinação das entradas no momento. Exemplos comuns de circuitos combinacionais incluem portas lógicas (AND, OR, NOT), multiplexadores, somadores, decodificadores e comparadores. Eles são utilizados em situações onde é necessário um processamento imediato e sem a necessidade de armazenar informações ou manter um histórico.Circuito lógico combinacional
Por sua vez os
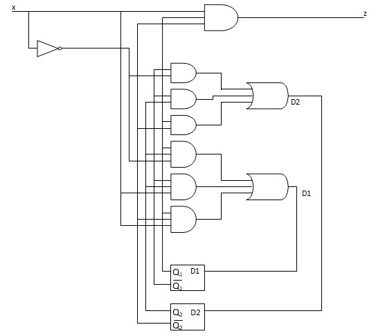
circuitos lógicos sequenciais têm memória e suas saídas dependem não apenas das
entradas atuais, mas também do histórico das entradas, ou seja, do estado
anterior do circuito. Isso significa que esses circuitos podem manter informações
ao longo do tempo, o que os torna fundamentais para a criação de dispositivos
que precisam trabalhar com dados em sequência, como contadores, registradores,
flip-flops e máquinas de estados finitos. Eles são utilizados em aplicações
onde é necessário registrar eventos, armazenar dados temporariamente ou
controlar processos que dependem de um fluxo de operações.
Circuito lógico sequencial utilizando Flip-Flops tipo D para o armazenamento dos estados
Desse modo,
pode-se dizer que a principal diferença entre esses dois tipos de circuitos é a
presença ou ausência de memória interna: os circuitos combinacionais operam
apenas com as entradas presentes no momento, enquanto os circuitos sequenciais
operam com entradas e estados anteriores, possibilitando-lhes realizar
operações mais complexas e temporais.
Assista ao vídeo abaixo para ver como se desenha os circuitos eletrônicos.

